Biện pháp Thi công cừ ván bê tông dùng búa rung và máy xói nước được Cơ Giới và Xây Lắp Hùng Giang minh hoạ qua bài viết sau đây !
Phục vụ thi công các công trình lấn biển, kè chống sạt lở, kè kênh mương, tường chắn đất, kè bảo vệ các công trình cảng biển, …
- Chuẩn bị mặt bằng thi công: vị trí thi công sẽ được đầm để nền đất ổn định khi các máy móc thiết bị nặng làm việc.
- Công tác trắc đạc: định vị tuyến đóng cừ ván, tọa độ, cao độ từng cây cọc cừ bằng thiết bị đo đạc chuyên dùng.
- Huy động đầy đủ dây chuyền thiết bị thi công
- Vận chuyển, cẩu xếp cọc ván BTCT dự ứng lực tại địa điểm thi công.
- Thiết bị thi công bao gồm:
+ Xà lan
* Tải trọng: 600~1055 tấn.
* N¬ước sản xuất: Việt Nam
+ Tàu đẩy
* Công suất: 150~350CV.
* N¬ước sản xuất: Việt Nam
+ Cẩu 50~250 tấn
* Sức Nâng: 50~250 tấn.
* N¬ước sản xuất: Nhật Bản
+ Búa rung
* Nhãn hiệu: DZ 120
* Công suất : 120KW
* N¬ước sản xuất: Trung Quốc.
* Nguồn điện: 380V
+ Máy xói nước
* Công suất: 125~350 CV
* Áp lực: 50~150kg/cm2
* N¬ước sản xuất: Nhật bản.
+ Máy phát điện:
* Công suất: 300~800 kVA
* N¬ước sản xuất: Nhật bản.
Toàn bộ thiết bị thi công, cừ ván bê tông phải được Chủ đầu tư, kỹ sư giám sát nghiệm thu trước khi thi công.
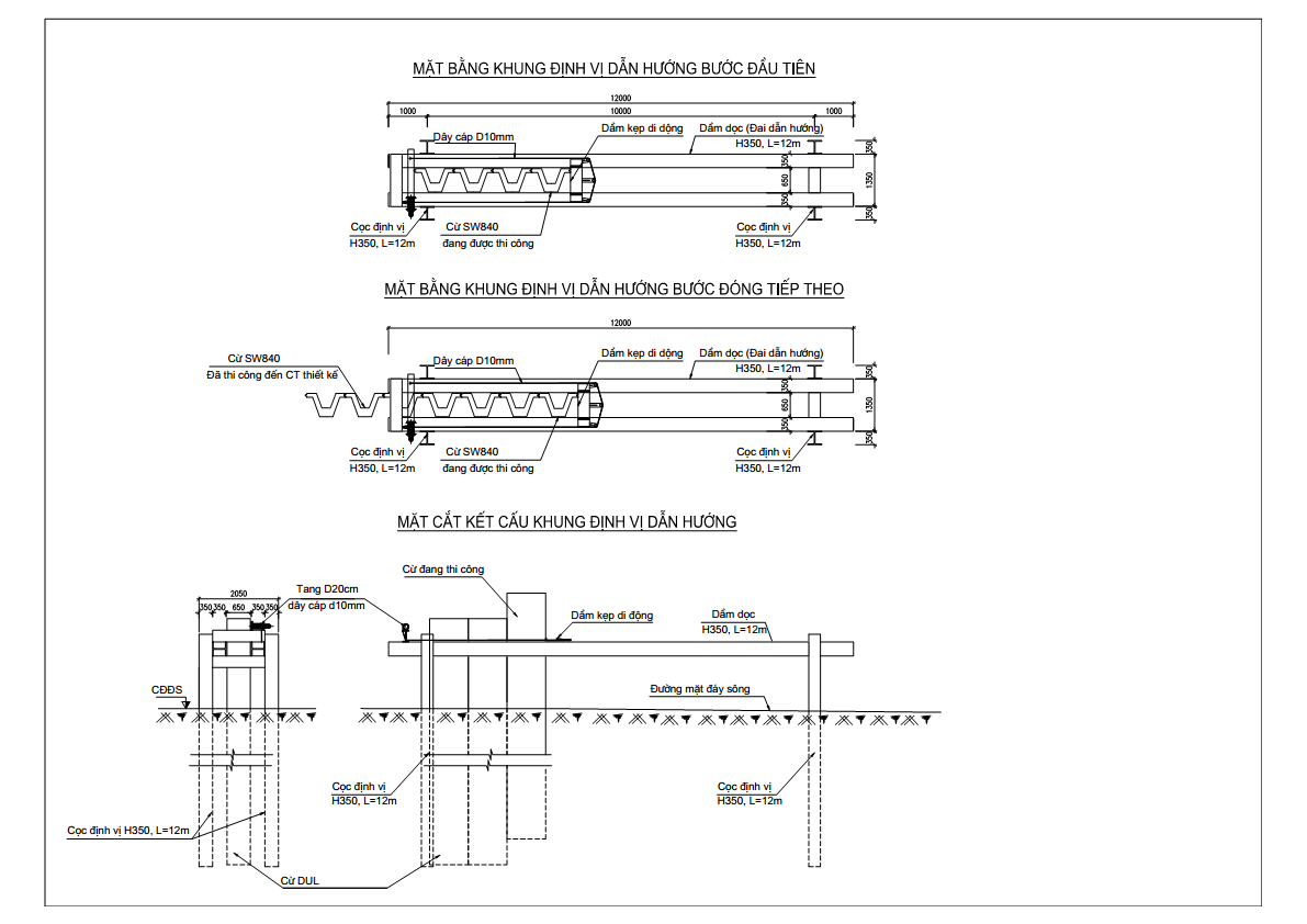
• Lắp đặt khung dẫn hướng
- Các công việc kiểm tra sẽ được tiến hành bên ngoài bằng cách đánh dấu vị trí chính xác đường tâm của cọc ván DUL, khu vực dầm dẫn hướng và vị trí dầm dẫn. Cao độ hệ dầm dẫn hướng đặt ở cao độ +80cm.
- Cọc chữ H (Cọc ván sắt) sẽ được đóng theo phương thẳng đứng giá đỡ của khung ngang bằng búa rung. Khung dẫn hướng sẽ giữ cho hướng thẳng đứng cọc ván trong suốt quá trình đóng cọc.
• Rung hạ cọc ván
- Trước khi Rung hạ cọc ván cho vị trí cần rung hạ, việc căn chỉnh vị trí thẳng đứng sẽ được kiểm tra bằng các dụng cụ kiểm tra bằng máy kinh vĩ hoặc dây dọi thẳng đứng và được kiểm tra thường xuyên trong suốt quá trình đóng cọc. Cọc ván sẽ được Rung hạ bằng búa rung kết hợp vòi xói nước để dễ dàng cho việc rung hạ và giữ vị trí thẳng đứng cọc trước khi đạt được cao độ thiết kế. Điều chỉnh cọc kế tiếp theo đường rãnh trước, và cẩn thận rung hạ. Tiếp tục Rung hạ cừ cho đến khi khung dẫn hướng vẫn có thể phù hợp .
+ Bước 1: Lắp đặt khung dẫn hướng

+ Bước 2: Lắp đặt đầu nối và thử xói:
Cọc ván DUL sẽ được lắp đặt vòi xói từ máy xói vào các đầu ống xói cọc. Sau đó tiến hành bật máy xói kiểm tra đường ra xói nước từ các đầu bép phía mũi cọc.
.png)
+ Bước 3: Cẩu cọc vào vị trí rung hạ:
Cọc ván DUL sẽ được nâng lên bời móc cẩu chính của cần cẩu xích và điều chỉnh chính xác vị trí bằng dầm dẫn hướng.
+ Bước 4: Xói hạ cọc vào vị trí:
Vòi nước sẽ được xói kết hợp trọng lượng bản thân để cọc ván bê tông xuyên xuống đất cho đến khi nó đạt được khoảng 30% tổng số chiều dài đến khi nó có thể dựng đứng bằng chính bản thân cọc, kẹp chặt cọc vào hệ sàn đạo.
+ Bước 5: Cẩu đưa búa rung vào vị trí:
Móc cẩu chính sẽ nâng búa rung. Búa rung sẽ bắt đầu rung hạ cọc thông qua tủ bến tần điều khiển mô tơ của búa rung.
.png)
+ Bước 6: Rung hạ cọc bằng búa kết hợp xói nước:
Kết hợp búa rung liên tục và máy xói nước. Tiến hành công việc rung hạ cọc đạt được cao độ thiết kế. Các cọc tiếp theo sẽ được tiếp tục theo các bước trên.
+ Bước 7: Hết chu trình sàn đạo, dịch chuyển sàn đạo sang chu trình tiếp theo:
Một khung dẫn hướng thực sự đầy bởi các cọc, dịch chuyển khung dẫn hướng và di chuyển đến vị trí gần kề. Lặp lại bước 1 đến bước 6 cho việc đóng các cọc ván tiếp theo.

- Trước khi rung hạ cọc ván cho vị trí cần đóng, việc căn chỉnh vị trí thẳng đứng sẽ được kiểm tra bằng các dụng cụ kiểm tra bằng máy kinh vĩ hoặc dây dọi thẳng đứng và được kiểm tra thường xuyên trong suốt quá trình đóng cọc. Cọc ván sẽ được đưa hạ bằng búa rung kết hợp vòi xói nước, dễ dàng cho việc rung hạ và giữ vị trí thẳng đứng cọc trước khi đạt được cao đô thiết kế. Điều chỉnh cọc kế tiếp theo đường rãnh me cọc cẩn thận và thực hiện cọc tiếp theo.
- Kiểm tra áp lực xói và áp lực kẹp búa thường xuyên trên đồng hồ.
- Khi hạ búa rung vào đầu cọc cần nhẹ nhàng, chính xác.
- Mỗi lần di chuyển khung sàn đạo đến vị trí kế tiếp, phải kiểm tra tuyến cho chính xác.
- Thường xuyên kiểm tra khe hở giữ cọc ván và hệ khung sàn đạo
.png)
Ảnh thi công Đập Daso – Dự án Đồi Rồng, Đồ Sơn, Hải Phòng
Ảnh thi công kè sông Tam Bạc, sông Cấm, TP. Hải Phòng
.png)
Ảnh thi công kè sông Lam – Hưng Nguyên – tỉnh Nghệ An
.png)
Ảnh thi công đường bao biển Hạ Long – tỉnh Quảng Ninh
Điện thoại: 0865476666 - 0865426666
Email: hunggiangjsc@gmail.com
Website: hunggiangjsc.vn